Home
>
Services
System Specification
Hardware Specification
Electrical Design
PLC Software Design
SCADA & HMI Software Design
Test & Commissioning
About Us
Contact
Terms Of Use
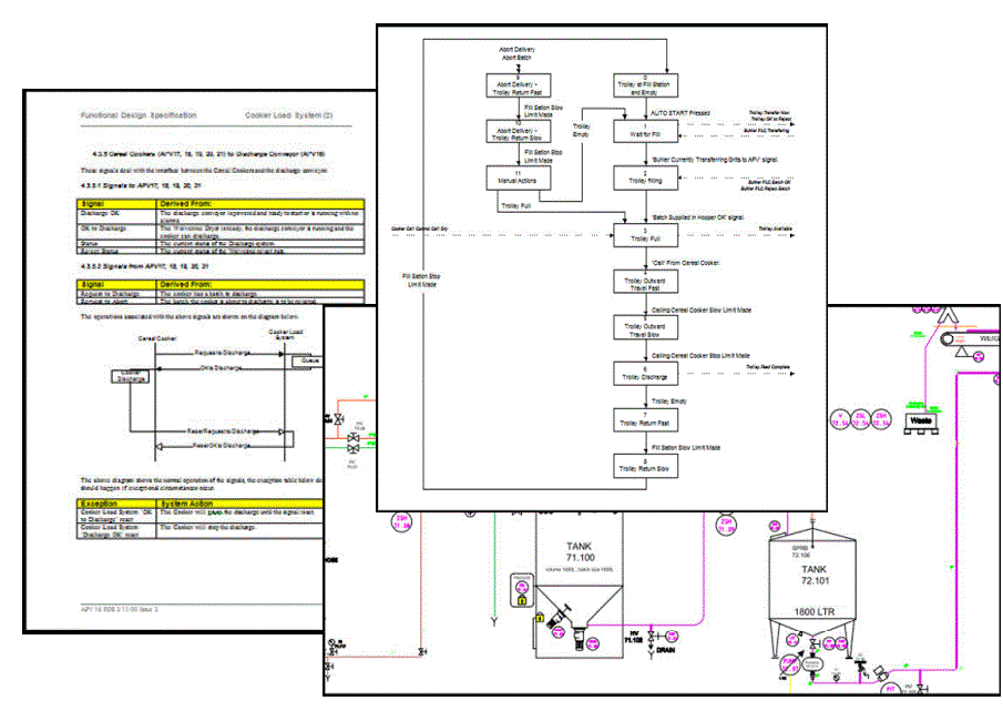
System Specification
Control System Functional and Software specification,
HMI operator interface specification
Process Equipment flow diagrams, Process and instrumentation diagrams,
concept diagrams, interface signalling design,
system modelling (state transition, data flow diagrams),
database design for datalogging and MES systems,
product traceability and bin stock handling etc..
Contact Details:
Email: mailbox@gfitechnical.co.uk
____________________________
Automation and Control System Design and Consultancy
Complete Project Lifecycle support
Copyright GFI Technical Ltd. 2017 ©
Established 1998